Winding and unwinding safety chuck is used for coil material rolling or taking out, it is easy and safe. As usually, it is connected with power motor as driving rotating or driven rotating. Safety chuck's extended shaft is also can be matched with manual brake, air brake, pneumatic clutch, pneumatic brake for coil material tension force control.

Safety chuck can be mounted in horizontal and vertical. Standard safety chuck is simple, practical and easy mounting, convenient, fast and safe for reel shaft loading and unloading frequently. Driving kit insert dimension can be customized as different matched machine and characters. Reel shaft will not loose and slip during working, sliding safety chuck’s sliding stroke can be adjusted in axial movement by hand wheel (optional). Axial support bracket makes sure reel shaft safe and transmit torque precisely.
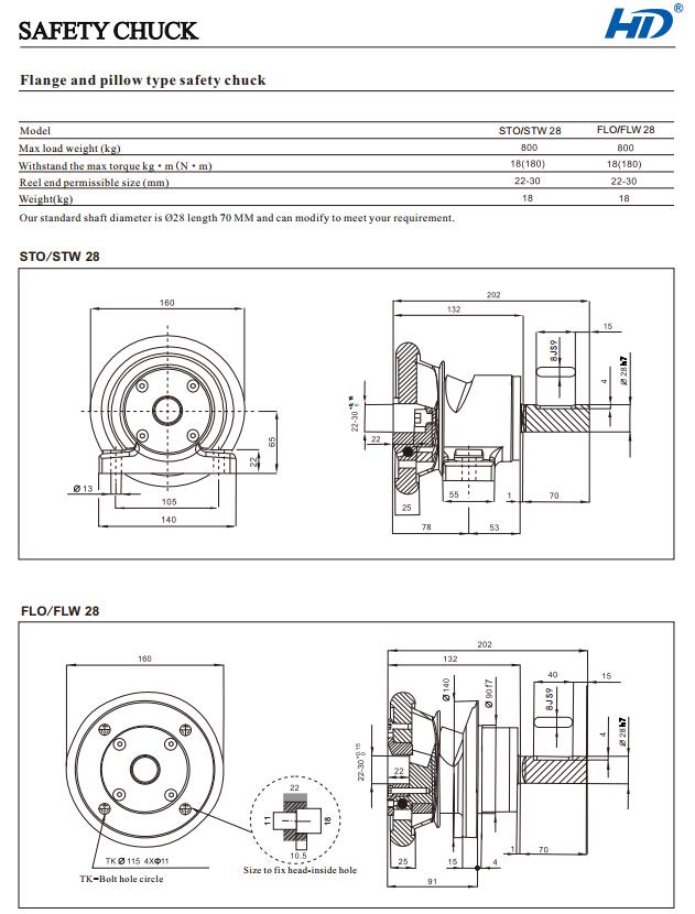
This flange and pillow mounted safety chuck is usually matched with air shaft or steel bar for roller material winding and unwinding.
Flange and pillow mounted safety chuck is widely matched with air expanding shaft for rewinding and unwinding. Following are the technical data of them for your reference:






Structure of safety chuck and air shaft




Copyright © 2026Pneumatic clutch, Pneumatic brake, Safety chuck All Rights Reserved.
Address:12F, No.488 Banting Road, Jiuting Town, Songjiang District, Shanghai, PRC, 201615
Tel:152-0180-5440 Fax: 021-57636570 Mobile:15201805440 E-mail:songyulu@sh-handong.com



