Exact machining precision can ensure accurate positioning. reel holding mouth adopts a special heat treatment technology, high wear resistance, reel holding mouth is replaceable, extend greatly its service life.

STO/STW Pillow type safety chuck
Reeling safety chuck is used to winding and unwinding roll material. If needed, it can be connect with motor for driving rotating or driven rotating. It also can be match with pneumatic damper, manual damper, brake, clutch to adjust material’s tension.

1. Safety chuck characters
Name: STO/STW pillow type safety chuck
Category: Safety chuck
Brand: HD
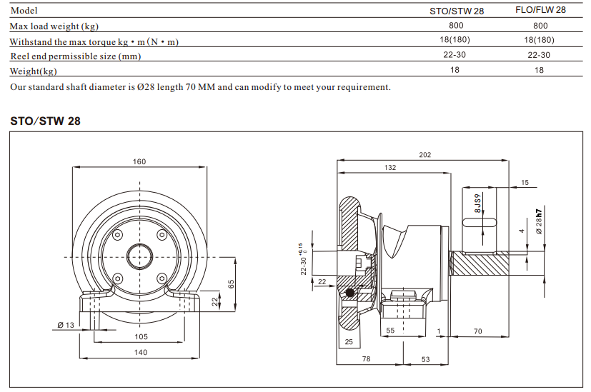
Model: STO/STW28,STO/STW35,STO/STW50,STO/STW75
Structure mode: ST is pillow type installation, W refers to driving shaft, O refers to driven shaft.
Square bar dimension: 30*30 32*32 35*35 38*38 40*40
Application: It can be used in textile, paper making, steel wire rope, tire, wire and cable industry and others. According to usage, it can be connect with motor for driving rotating or driving rotating.
2. Safety chuck category
Standard flange type safety chuck
Standard pillow type safety chuck
Pillow sliding type safety chuck
Flange sliding type safety chuck
Flange fixed sliding type safety chuck
3. Safety chuck function
Safety chuck is a fast connection device, used in winding and unwinding reel shaft, so as to save operator’s loading and unloading time. It doesn’t need to remove machine’s structure when exchange reel material. Making working more efficient.
4. Safety chuck application
This safety chuck is widely used in steel machinery, packaging machinery, printing machinery, textile machinery, wire and cable machinery, winding machine, machine tool equipment, plastic machinery, chemical machinery, paper making machinery and other large and automatic machinery.


Copyright © 2026Pneumatic clutch, Pneumatic brake, Safety chuck All Rights Reserved.
Address:12F, No.488 Banting Road, Jiuting Town, Songjiang District, Shanghai, PRC, 201615
Tel:152-0180-5440 Fax: 021-57636570 Mobile:15201805440 E-mail:songyulu@sh-handong.com



