Following are the characters of this pneumatic safety chuck:
1. Advanced design concept, structure scientific and humanized.
2. Can bear big torque and prevent shaft loose during rotating.
3. Output shaft can match with manual, air damper, clutch and brake as needed.
4. Body is welded by anti-bending, anti-torsion seamless steel tube and steel board. Good tensile strength and flexion, meet shaft usage function.
5. Body is enamel coating thicker, strong adhesion. The film has bright luster and high hardness.

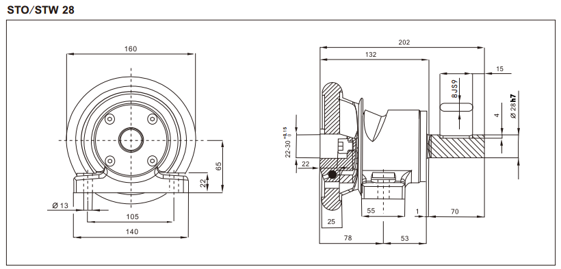
Pneumatic safety chuck, Claasic series safety chuck 22-30, 30-40, 40-50, 50-80
Winding and unwinding safety chuck is used for winding and unwinding roll materials. As needed, connected with motor for driving rotation and driven rotation both available. It also can be matched manual damper, air damper, brake, clutch to adjust roll material tension.This safety chuck is widely used in tire machinery, tire cord manufacturing machinery, rubber conveyor, paper making machinery and other winding and unwinding machinery.



Copyright © 2026Pneumatic clutch, Pneumatic brake, Safety chuck All Rights Reserved.
Address:12F, No.488 Banting Road, Jiuting Town, Songjiang District, Shanghai, PRC, 201615
Tel:152-0180-5440 Fax: 021-57636570 Mobile:15201805440 E-mail:songyulu@sh-handong.com



